(C)Y.Utsunomia 2011
本編テキストで積算線量表示などの目的で、安価な歩数計を流用することを提示しているが、いかんせんカウント速度が遅く、いくつか入手したいずれもカウント上限は、およそ毎秒3カウント程度であった。
なぜこのように遅いカウント上限なのか考察してみると、カウンターそのものが遅いというよりも(遅いカウンターを作ることの方が困難)、入力回路に強力なLPFを装備し、一般的な歩行によるカウントとそれ以上の振動とを分離し計数する仕組みになっているらしい(カットオフからのスロープは24dB/oct以上にもなっている)。
このLPFはスイッチドキャパシタフィルターの一種らしく、回路中のクロックでカットオフが設定されるようで、クロックを変更するとカットオフも比例して変化する。(カウンターの回路は設計や製作を行ったことのある方なら理解できると思うが、カウンター回路にクロックは不要)
歩数計用に設計されたチップでは、このフィルターのカットオフ(つまりクロック周波数)を調整するための外付け抵抗があり、この抵抗値を変えると通過できる周波数も変化し、ある程度のカウント高速化ができる。しかし、カウンターそのもののスピードとクロック周波数には何の関係もなく、この方法でカウンターの絶対速度を向上させることはできないようだ(カウンターそのものの速度向上には電源電圧の上昇が効果的)。
またこのクロックは、表示のダイナミック動作とも兼用になっていることがあり、広範囲に変化させると表示がうまくできなくなる場合もある。
今回の製作で用意した歩数計は、100円均一店「ダイソー」、「キャンドゥー」ホームセンター扱い「ライフレックス」のもので、いずれでも高速化はできたが、高速化の幅、傾向は個性的で、目的に合わせた選択ができそうだ。
それぞれの特徴は
「ダイソー」
百円均一で扱われている製品の中では、表示が大きく改造しやすい。
設定抵抗は820KΩ→2KΩ。3cps max→90cps max(入力端子を10KΩでプルダウンすると125cps maxまで向上。プルダウンすると確度不良なし)。
コンパクトな線量計に組み込むには、やや大き過ぎる場合があり、またケース材質が壊れやすい。同じ製品はローソン100(旧99ショップ)でも取り扱われている。
「キャンドゥー」
異色の小型液晶表示。コンパクトな線量計にも納まりがよい。
設定抵抗は7.5MΩ→100KΩ。3cps max→165cps max (入力端子を10KΩでプルダウンしないと、最大カウント数はさらに向上するものの、計数確度が悪化する)
この抵抗値はさらに下げることで、より高速化が可能だが、表示が影響を受ける。
*バージョンが最近変わったようで、改造できないものがある。改造できないバージョンでは、カウントしない状態が1分程度続くと、表示がミュートされ、電池の消耗を抑えてくれるが、この機能もガイガーカウンターでは使えない。
見分け方は後述。
「ライフレックス」
この製品は1000円未満で販売。「高価」なだけあって、表示、内部のつくり、改造後の速度などいずれも秀逸。電源もCR2032 3Vリチウム電池であるため周辺回路との整合が容易。表示フォント、コントラストも良。
設定抵抗1.3MΩ→10KΩ。3cps max→150cps max(表示がコントラストが怪しくなるがカウント確度が高い)
*テストはフォトカプラ経由、2μsecパルス入力による。プルダウン、プルアップの解説は後述。
<製品一覧(歩数計一同)>
○改造方法
このテキストではほどほどの高速化改造に留めています。頑張ればさらに2倍程度の高速化はできるようですが、そちらを専門に手がけている方のサイトがあるので、そちらを参照下さい。
歩数計のセンサーは歩行振動を慣性で動作するメカニカルスイッチで検出するが、ほとんどの機種では+電源と入力端子の間にこのスイッチはあり、歩行振動一回で1回ONになり、+電圧を1発入力する。通常はバネによってOFFが保たれている。回路図参照。
<歩数計改造>
<ダイソー概観>

<ダイソー現行改造前>
<ダイソー旧改造前>

<ダイソー改造中>

<キャンドゥー新旧概観>

<旧キャンドゥー改造後>

<現行キャンドゥー>
<cando 見分け 1>

<cando 見分け 2>

<ホーム改造後>
*重要*
ガイガーカウンターでは、その検出パルスは一定間隔ではなく、一定の幅で乱数変調(正確にはポアソン過程と呼ばれる)されたもので、仮に毎分100カウントあったとしても、あるところは1秒以上も間が空き、またあるところでは1/100秒で次のパルスが来る。平均すると1分間に100カウントあるという状態だ。
本編テキストにも書いたが、ガイガー管からの出力をカウントする場合、そのカウンターの最大カウントの1/5程度(それでもなお10%程度の読み飛ばしが生じる・・・この10%の数値は実測に基づく)の平均カウントにしかならない。
この問題を考慮すると、最大カウント数は毎秒120カウント(毎分では7200カウント)なので、その1/5とすると毎秒24カウント、毎分では1440カウントとなる。
SbM-20での線量当量に換算すると、1440×0.00664=9.56(μSv/h)となる。私の回路例では1/10プリスケールしているので、計測(積算線量として)できる最大線量当量は95.6μSv/hとなり、十分なマージンが得られることになる。
○歩数計の高速化の問題点
歩数計はもともと3cps程度以下のカウントを行うことを目的に作られているが、改造はカウンター前段のフィルタークロックを上げ、通過帯域を上げて対応している。
☆解説
**回路構成については様々な類推があり、PICのようなマイクロコントローラーが使用されているのではないかという意見から、私のようなハードカウンタ+スイッチドキャパシタ・フィルターのような意見まである。
私の意見の根拠は、いくつかのテストによるもので、次のような項目で内部推定している。
信頼性を左右する電源のアクシデント(繰り返し瞬間停電、減電圧特性・・・手動断続、電源のM系列ノイズ変調など・・大抵の回路はM系列ノイズ電源でボロが出るし、壊れることも多いので注意。
後者は単に電源電圧をを減らしていくのだが、インピーダンスには注意)、外部へのクロックなどの漏洩、外部からの電磁波の影響などだが、マイクロコントローラーでは瞬間停電や極端な減電圧で、暴走したり表示キャラクタの異常が出やすい傾向があるが、歩数計ではそのような症状が全く見られない。
電磁波の漏洩は単一のクロックのみで、外部からの電磁的衝撃にも強く、暴走も見られない。またクロックに比例してカウント上限が上昇し、一定のところで頭打ちになることから、内部構成を推定した。**
このためカウンター本体は問題が生じなくても、スイッチドキャパシタフィルタ部分の寿命が短縮される可能性がある(スイッチドキャパシタフィルターは寿命がある)。またこのクロックから液晶表示のダイナミック駆動のクロックも作成されている製品が多く、高速化していくと表示が乱れるものが多い。
乱れる状態とはドライブ波形が崩れているか、DCオフセットが生じている場合(歩数計で検証はしていない)が多く、このような条件下で使用するとガラス上の電極が傷む懸念があるが、安いので予備を備蓄しておけばよいか・・。
また、高速化により消費電流は明確に増大する(が、それでも十分に低消費電流と言える)。
カウンターそのものの高速化は、電源電圧を上げることが効果的だが、私の見込みでは、上記の改善で十分である。(この製作テキストは歩数計の究極を極めることではないので悪しからず)
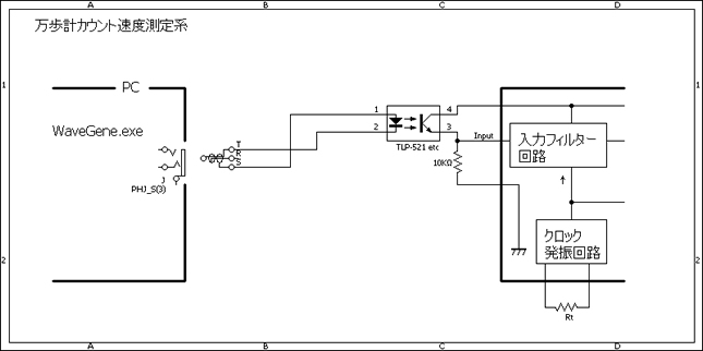
○最大カウント速度の計測
ヘビービルダーの方はプログラマブル・ファンクションジェネレーターなどを所有されていると思いますので、この項は不要でしょう。しかし、このコンテンツを読んでガイガーカウンターを自作しようとしている方の多くは、そのような測定器は所有していないと思いますので、以下の方法を推奨します。
必要なもの
被測定カウンター (フォトカプラー実装のこと)
Windows PC (win95以降、オーディオデバイス必須)
WaveGene (efu氏作、高機能ファンクション・ジェネレーター、フリーウェア)
配線用ケーブル (適宜)
測定系ブロック図参照

測定指針
WaveGeneのパルス波を用いて計数するが、その際にWaveGeneのゲート機能を利用し、ゲート設定した数のパルスを計数したか(表示したか)を評価する。
WaveGeneのパラメータ設定
デバイスをPC内部オーディオデバイス(MME)に設定。
(自作PCなどで別途デバイスがある場合、そのデバイスに設定
サンプリング周波数 デバイスが出力可能なら48KHzに設定
ビット深度 16bit
使用ブロック Wave1のみ使用。Wave2、Wave3はOFF。
Wave1のパラメータ
*波形:パルス 後述の注を参照
*周波数:このパラメータを徐々に上げていって、カウント速度上限を探す。
*振幅:0dB オフセット:0%
*出力チャンネル:L+R
ディレーサンプル数:0
位相:0
*スウィープ、変調:ノーチェックマーク
*ゲートON:100
*ゲートOFF:100
ゲートON100、ゲートOFF100は、WaveGeneがスタートしたら、まず100パルス出力し、次に100パルス分休止する、という動作を繰り返すという意味。もちろん意味がわかっているなら、1000パルス出力、100パルス分休止でも、好きなように設定できる。
カウンターが正常にカウントしている場合は、出力された数のアップカウントを行い、その後設定されたパルス分、休止(同一の数字表示のまま)する。もし、100パルスカウントしているはずなのに、95しかアップカウントしていなければ、5パルス読み落ししたことになる。
PCのパラメータ
パルスがスピーカーから発音している状態で(音量注意)、出力端子にカウンター(フォトカプラLED)を接続しボリューム最大にする。
*接続上の注意
WaveGeneの仕様なのか、無信号0Vに対してパルスが+方向に出力されるはずなのに、我が家にあるPCのオンボード・オーディオ・デバイスがすべてへそ曲がりなのかは不明だが、パルスが-方向に出力される(極性が反転している)。
このためフォトカプラLEDへの接続は、ケーブルホット側をLEDカソード(#2)に、ケーブルアース側をLEDのアノード(#1)に接続する。ただどのPCでも極性反転しているのかは調査が不十分で不明。この接続が逆の場合、カウントしない。(測定系ブロック図を参照)
**測定
ゲートON、OFFを設定した数値は、周波数を変化させても常に同じ数を保つ。
この性質を利用し、周波数を少しずつ上げていくと、ある周波数以上でカウント数値があるべき数(上記の場合100ずつカウントアップするべき)でなくなる。
正常カウントする最大の周波数調べればよいのである。
周波数を上げていくときに、周波数設定窓右隣のアップダウンボタンを右クリックし「%」{5.97・・・」し、アップダウンを左クリックで行うと、1半音ずつ等比級数でアップダウンすることができるので、その周波数が判明しやすい。
***注意
オンボード・オーディオデバイスは、あくまで発音用であって、測定用ではない。このため直流特性は悪く、とくにパルス波のような直流偏りのある波形では正常な動作をしないことがあり(DCオフセットが異様に大きく出る)、それが原因で正しく測定ができない場合があります。ご注意下さい。