(C)Y.Utsunomia 2011
先だって高インピーダンス・高電圧測定は容易ではないというコメントを載せてもらいましたが、現在豊富に販売されている部品の組み合わせで実現できる、高インピーダンス・高電圧の測定に関して、一定の目処が立ちましたので、速報のかたちで情報提供します。
しかし十分に検証ができているわけではありませんし、実施条件によっては有意な結果が得られないかもしれません。あらかじめお断りしておきます。
また提示した回路例等は、私の実験室でのもので、現状では再現性はあまり考慮できていません。特に高電圧・高インピーダンス回路は、部品のレイアウトや取り扱いで結果が全く変わることは有り得ます。
筆者の場合でも実際に全空中配線では予想通りの結果が得られるのに、基板に組み込んだとたんに動作が芳しくない(原因は部品の足の折り曲げ方のことも)ことも結構あります。参考やヒントとして取り扱ってください。また手本になりそうな写真などがありましたら適宜掲載します。
一般的に、高インピーダンス回路の電圧測定は容易ではありません。それは計ろうとする部分に測定機器を接続すると、その接続機器を通って電流が流出し(あるいは流入し)、その部分の電荷(=電圧)が変化してしまうためです。
そこでこのような用途に使用する測定装置では、極めて高い入力インピーダンスを持たせることで、電流(極めて僅かな=PA ピコアンペアオーダー)の流入や流出ができるだけ少なくなるようにしているわけです。
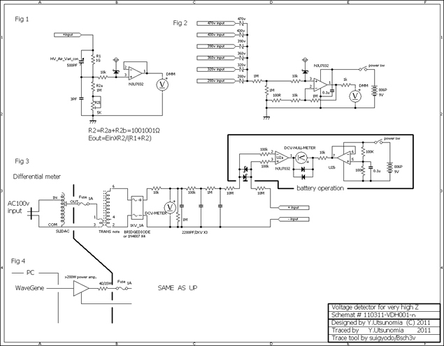
オッシロスコープ用の高電圧プローブや高電圧専用の電圧計では、1GΩ以上のインピーダンスを持つものが普通ですが、ガイガーカウンター用に最適化された高圧電源装置では、これでもなおインピーダンス不足と言えます。<Fig 1>
現在、自作マニアたちの関心は、ガイガー管からシンチレーションカウンターへと移行しつつあるようですが、(私は逆で、一般的に工作が容易であると言う条件から、シンチからガイガーへ移行)やがてイオンチャンバーなどへ移行するものと思われますが、これなど1TΩ(テラ=10の12乗)の世界です。
先の1GΩでさえ、その数値の抵抗は普通の部品屋では入手困難で、頻繁に使用する私は、抵抗器メーカーに特注で作ってもらっていますが、単価が高い(>500円)上に最低数量が50本以上と、なかなか専門業の方以外は手が出しにくい現実があります。
さて、このような「静電気」にも近い高電圧をうまく測る方法とはどのようなものなのでしょう。
ひとつの方法は、上記の電流の流入流出に着目し、電圧ブリッジを構成しインピーダンスの低い可変高圧電源を並立し、流入流出の起きない電圧を探しその電圧を被測定物の電圧とする方法があります。<Fig 3、Fig 4参照>
実際の回路図で説明します。

<High Z probe>
この回路では自作家の定番(少し古いが)スライダックを使用します。スライダックは連続して電圧を可変できるオートトランスの一種で、スライダックの名称は東芝の登録商標です(現在では東芝は生産終了)。
スライダックは写真のように交流のまま、0Vから130V程度まで出力を変化させることができるが、これだけでは目的のプラトー電圧には届かない。倍電圧整流回路(コッククロフト=ウォルトン回路の名称でも知られる)を使用する方法もあるが、この回路の出力インピーダンスはかなり大きく、またアース電位のキマリが悪いため、本件の測定回路にはあまり向かないと考えられます。
この作例のトランスは特定のモデルを指定していませんが、1次側100V、2次側350V程度、あるいは1次側100V、2次側12V(結構危険なので注意)の2次側から入力し1次側から取り出すことを想定しています。とくに後者は長時間ではトランスが発熱したり、いきなりヒューズが飛ぶこともあります。(必ずヒューズを挿入してください)
2次側は全波整流し10KΩを経由し、平滑用コンデンサに入りますが、如何に低負荷であってもこのコンデンサ容量では、脈流が残ります。脈流が十分小さくなるのは、このCR回路3段通ったところ(10MΩの右側)で、電圧計(DMM:デジタルマルチメータ、あるいはデジタルテスター)部分ではノイジーです。
このコンデンサ容量(わずか2200PF)になっているのは、スライダックで、徐々に電圧を上げていき、被測定回路(作った高圧電源)と同じ電圧になるポイントを探すのだが、コンデンサの静電容量が大きいとレスポンスが悪く、そのポイントを見つけにくいためと漏れ電流対策で、電解コンデンサなどが使用できないためです。
先の文章で倍電圧整流回路の出力インピーダンスが高い・・と書き、この回路例では、故意にインピーダンスを上げているが、これは矛盾ではありません。
もう少し本格的には、DC1000V程度をトランスで作り、その出力に高耐圧のトランジスタを用いてシリースレギュレーター(直流安定化電源回路)などで、安定な可変定電圧電源回路を組むべき(過去に電気泳動装置などの設計製作の実績がある)なのですが、定電圧にするだけでは危険で、電流制限回路や特有の配線技術を要求される上、高耐圧のトランジスタの入手が困難になりつつあるため、このような回路にしました。要求があれば、ソッチの回路も出します。
比較のための可変電圧回路と、被測定回路の電圧の比較を行うのは、太線内のコンパレータ回路で、NULL検出回路としてよく使われるものです。
スライダック出力が絞られ、被測定電圧の方が高い場合、NULLメーター(NULLメーターはセンターゼロとする)はマイナス側へ振り切っているが、スライダックを上げていくと、被測定電圧に近ずくと、メーターは徐々にセン
ター→右に振り切り、と変化する。センターのときに被測定電圧と可変電圧側の電圧は等しいので、可変電圧側の電圧計の値を読み取れる。
(定数によってはコンパレーター動作が急峻で、徐々にではなく、突然-から+へ動く場合もあり・・これは定数とスライダックの問題のようです)
NULL回路にいたるまでに、いくつかの高抵抗を通過するので、電圧は一致しないのではないか、という推測があるかもしれないが、NULL0のときに電位差は0(=電流の流入も流出も無いので)これらの抵抗値はすべて無いに等しくなる。(厳密にはOPアンプの入力インピーダンスに依存・・・必ずローオフセットのMOS-FET入力OPアンプを使用してください)
このコンパレータ回路に電池を使用しているが、ここがこの回路の一つのポイントで、この回路と電池はアクリル板などで、周りの回路から完全にフロートします。動作中は絶対に触れないように注意してください。被測定物の入力部分も、下手にコネクターなどにすると、たちまちリークに苦しむこと(正確に反応しない)になり、そんなことで悩むくらいなら、ワニ口クリップ空中接続の方がマシでしょう。
Fig 4
Fig 3と同様の回路ですが、スライダックが用意できないが、業務用のパワーアンプ(想定としてはYAMAHA PC-2002程度)ならある、というユーザー向けのものです。
スライダックを使用した場合、商用電源の波形ひずみや電源に含まれるスパイクなどの外来ノイズの影響を受けやすい傾向(商用電源は正弦波ではありません)がありますが、この点を改善できます。PCやオシレータで正弦波(50~200Hz程度トランスによってはさらに周波数が高い方がよい場合もある)を発生し、パワーアンプで増幅し、トランスを駆動するものです(筆者にはこの方法が最も楽)。
この場合トランスは1次側40~60V、2次側300V程度を想定しています。
しかし音響用パワーアンプはあくまでスピーカーを駆動するためのもので、トランスを駆動することに耐えられない(とくに50Hz以下の信号を入力した場合などに、過負荷となり破壊する場合があるので、そのあたりを理解し、自己責任で利用下さい。また純オーディオ用のパワーアンプは壊れやすいのでとくに要注意です。
時間と要求があれば、この目的専用のアンプも設計してみたいところです。うまく設計すれば、上記の高電圧安定化電源を高耐圧トランジスタを使用せずに作れそうです。
Fig 2
今回の図面のトピックスで、シンプルかつ安価につくれ、プラトー電圧に達しているかどうかを容易に検出できます。私もきちんとしたセットではなく、バラックセットによる動作確認しか行っていませんが、再現性はよいものと思います。
この回路のポイントは、入力側にバリスタ(ZNR)と呼ばれる部品を使用していることで、実際にこのような用途に使用できるとは思っていませんでしたが、実際に部品を入手し素性を調べてみると、非常に使いやすく、かつ安定動作できることがわかりました(ただし、まだ2社の製品しかチェックしていないので、すべてのメーカーについて使えるかどうかは不明)。
この部品は、電子回路を様々なサージ(落雷や静電気、イレギュラーな過電圧)から守るために使用される部品で、各種の電圧のものが販売されており、その設定電圧以下ではほとんど絶縁体(1000MΩ以上・・・絶縁抵抗計で調査)と言えるほどの高抵抗に、それ以上の電圧では抵抗値が急降下するというものです。
問題は、設定電圧以下のときの絶縁性なのですが、データシートによると100MΩ以上としか書かれていないため、その程度では使用できない、と考えていましたが、実測してみると大変な数値をマークできて、かつ設定電圧が30~40V刻みで各種の製品があり、必要なら直列動作可能で、しかも大変安価なことです。
欠点は、その設定電圧付近での動作が多少ノイジーなことですが、データシートにもその電圧のことを「放電開始電圧」と称しているので、そんなものなのでしょう。本当にバリスタ内部の結晶境界付近の「放電現象」であるなら、バリスタに放電開始電圧ぎりぎりの電圧を印加しておけば、荷電粒子の検出ができるかもしれない。それなら灯台元暗しなわけだ。安価で大面積の製品が入手できるのだから。
回路例では各種の設定電圧のバリスタを並べておき、高いレンジから順番に切り替えながら電圧を確定(30~40V刻みではあるが)する。ツキナミなスイッチなどは漏れ電流のために使用できません。直接ワニ口接続が妥当です。
プラトー電圧の確定などそれくらいの精度で十分です(多少投げやりですが、こんな簡単な回路で実現できるのですから)。
被測定電圧が400V~420Vのときに、上から二つ目の430V端子に接続したときには、バリスタには電流は流れず、電圧計もほとんど振れません。
(僅かに振れるのは、バリスタの静電容量や、配線による飛びつき)しかし、390V端子に接続したときに電流は、バリスタを通過し1MΩの両端に電圧が現れ、その電圧をOPアンプで100倍増幅し(これもそれほど正確な増幅率は必要ではない・・定性的検出なので)、メーターへ出力する。メーターの想定はデジタルテスターあるいは針式アナログテスター10Vレンジ。
またバリスタに電流が流れ始めた(メーターが振り始めた)ところからは、高電圧回路から電流が流れているということなので、電圧の指示も信用もできません。電圧の直読はできないことに注意ください。
注意しなければならないことは、設定電圧以下の電圧入力では、バリスタは極めて高抵抗だが、設定電圧以上では低抵抗となるので、被測定電源にとっては過負荷になる可能性もあるし、この回路例ではOPアンプの入力保護は完璧とはいえない。
もう一点注意は、バリスタ自体の設定電圧精度が比較的に見て緩く、データシート上で±30%、実測ではそれよりはマシとはいえ、部品の数値をあまり信用できないことがあげられる。しかしそのデメリットを鑑みても、高絶縁性はあまりあるメリットということができる。
これらの点に注意のうえ、ご利用下さい。
